【工艺·前沿】超级炫酷的自动扶梯,是如何设计的?
类别:材料工艺
发布时间:2021-08-18
分享建议

△赛马会创新大楼(JCIT)


今天的内容有点“硬”,为什么这么说呢?因为今天要跟小伙伴们讲解的不是咱们平时说的天、地、墙的施工,也不是材料,而是超炫酷的自动扶梯


小伙伴们这方面可能接触的比较少,没关系,今天咱们就从以下3个方面,带你认识一下自动扶梯的设计:


1)自动扶梯的类型有哪些?

2)自动扶梯的节点图,应该怎么表达?

3)设计自动扶梯要知道哪些规范?



自动扶梯的类型


△某商场透明自动扶梯


自动扶梯的分类形式非常多,作为设计师咱们只要了解“外观”和“梯段路径”这2个维度即可。


1

按外观分


a、全透明扶手自动扶梯

全透明式是扶手带只用全透明钢化玻璃支撑的自动扶梯。



b、半透明扶手自动扶梯

扶手带用半透明钢化玻璃及少量撑杆支撑的自动扶梯。



c、不透明扶手自动扶梯

扶手带采用支架并覆以不透明板材支撑的自动扶梯。



2

按自动扶梯梯路线型分类


a、直线型自动扶梯

直线型自动扶梯是扶梯梯路为直线型的,也是最常见的自动扶梯类型。



b、螺旋型自动扶梯

螺旋型自动扶梯是扶梯梯路为螺旋型的,据说一跑自动扶梯造价100W,你随意感受下:


△上海大丸百货商场的旋转自动扶梯



自动扶梯的结构


△深圳万象汇,来源behance.net


任何构造想要从逻辑上成立,就必须符合“骨肉皮”的原则


站在这个基础上,可以把自动扶梯的结构理解为一个铁盒子里面加了一个传送设备,然后通过传送带来拉动楼梯踏面,达到传送行人的目的,其具体结构如下所示:


△自动扶梯结构解析


什么?像皮鞋?

好吧,这样理解也没毛病~有了这样的类比后,理解自动扶梯和装饰材料的收口时就变得容易多了。



直接在扶梯的钢框子外边加个饰面完成面就可以了,具体装饰材料的做法不变,还是按照标准节点走即可,就跟给鞋子套了个鞋套一样。


明白了这个道理后,一套标准的自动扶梯标准施工图咱们就可以绘制出来了,必须包含下面这些图纸:


1

平面图

△自动扶梯放大平面图


△自动扶梯底面展开图


有了向下看的平面图,还需要知道自动扶梯的背面材质,所以,还需根据方案设计效果,出具一张自动扶梯背部的施工图,便于后期指导相关专业进行二次深化和材料下单。


2

立面图

△自动扶梯立面图


立面图是必须有的一张图纸,这里给大家展示的立面图深度还是相当深了,大家只要知道立面图的目的是表示立面关系,以及立面的尺度即可,至于吊顶里面的构造,其实可以弱化掉,通过节点来表示。


3

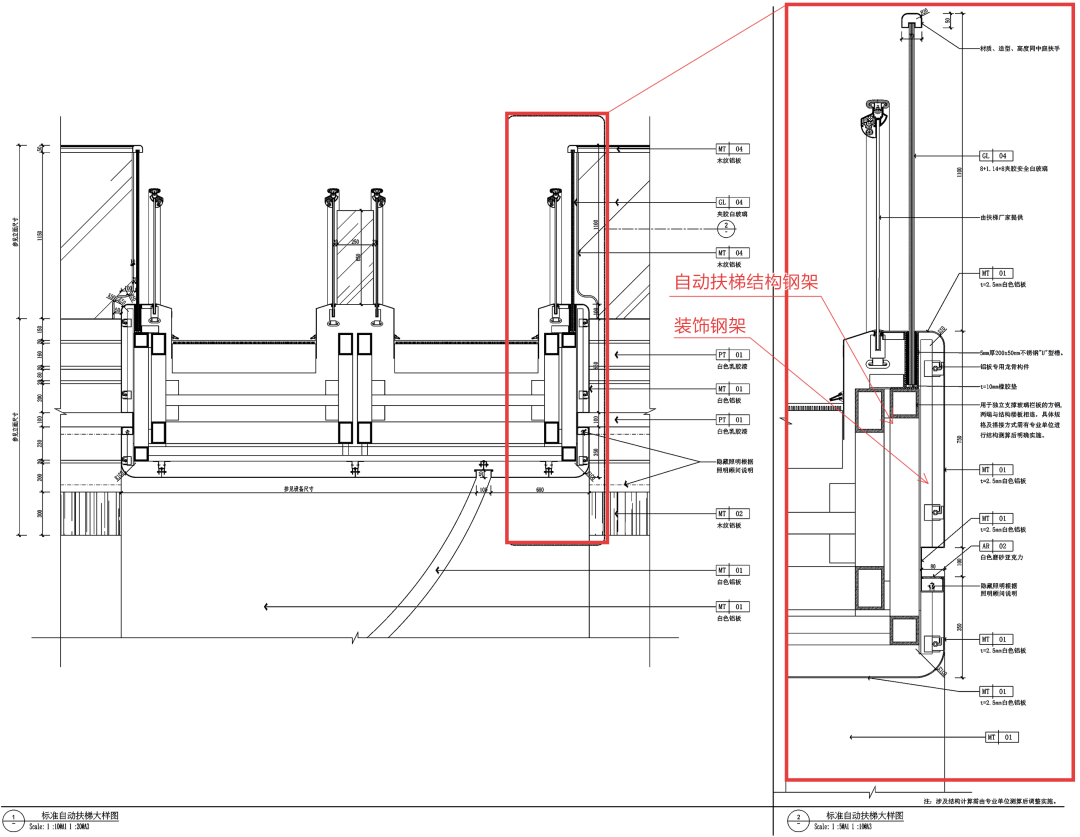
节点图


△自动扶梯节点图


由上图可知,自动扶梯的节点图,就是直接在自动扶梯的钢龙骨上挂金属板材


金属板材的构造做法和常规的做法几乎可以说完全没有变化,只是一个是附着在混凝土基层上,一个是附着上钢架基层上,仅此而已。


明白了这个原理,你再去看一些炫酷的自动扶梯案例,是不是就有一种练就火眼金睛看透本质的感觉了?



自动扶梯设计规范


1

扶梯角度



a、自动扶梯的倾斜角α不应大于30°。


b、当提升高度h12部大于6m且名义速度不大于0.50m/s时,倾斜角α允许增至35°。

(注:h12为扶手带外部自由空间的高度)


c、自动人行道的倾斜角不应大于12°。


简单理解起来,自动扶梯规范上对扶梯的倾斜角度有强制性要求,角度不能过大,但对自动扶梯的长度没有硬性规范限制。


2

高度设置


a、自动扶梯扶手最高点距梯级前缘或踏板表面或胶带表面之间的垂直距离不应<900mm,也不应>1100mm。


b、常规自动扶梯(自动人行道)的宽度不应<580mm,也不应>1100mm。对于倾斜角不大于6°的自动人行道,该宽度允许增大至1650mm


3

出入口设计


自动扶梯的出入口周围,为防止行人不慎从空隙处掉下,需设置围挡设施,规范上对围挡与自动扶梯栏杆的空隙有严格的限制。



如上图所示,其空隙不能>120mm,而且围挡设施应符合对应的临边栏杆相关高度规范。


4

装饰造型


新动态
一米,改变千里

“一米,改变千里”原意来自“世上无难事,只要肯登攀”,出处为毛泽东的词: 水调歌头,重上井冈山,1965 年 5 月久有凌云志,重上井冈山,千里来寻故地, 旧貌变新颜,到处莺歌燕舞,更有潺潺流水,高路入云端,过了黄洋界,险处不须看,风雷动,旌旗奋,是人寰。
三十八年过去,弹指一挥间,可上九天揽月,可下五洋捉鳖,谈笑凯歌还,世上无难事,只要肯登攀。

新动态
苟日新,日日新,又日新

《苟日新,日日新,又日新》选自中国儒家经典礼记.大学》,该章为《大学》的第二章,《大学》原本是《礼记》中一篇,传为孔子弟子曾参(前505434年)战国时期作。主要讲述了苟日新,日日新,又日新” 就是从勤于省身和动态的角度来强调及时反省和不断革新,加强思想革命化的问题关键。是中国古代的商朝帝王成汤的座右铭,倡导代表人类不断发展和积极进取的精神,是一个日积月累的变化,从量变到达质变的必然趋势和结果,是人类思想进步和物质创新的哲学。

苟日新,日日新,又日新被刻在商汤王的洗澡盆上,本来是说洗澡的问题:假如今天把一身的污垢洗干净了,以后便要天天把污垢洗干净,这样一天一天的下去,每人都要坚持。引申出来,精神上的洗礼,品德上的修炼,思想上的改造又何尝不是这样呢?《礼记·儒行》所说的澡身而浴德苟日新,日日新,又日新无论如何展示的是一种革新的姿态,驱动人们弃旧图新。所以,你不仅可以像商汤王一样把它刻在洗澡盆上,而且也可以把它刻在床头、案头,使它成为你的座右铭。


建议分享
您如果愿意分享行业新知识、著作、文章、观点、推荐APP或有好点子如商业计划等,想与行业同学脑力激荡的,请电邮联系我们sharing@1m.com.cn
  • 注册
会员注册
请正确填写,以便日后密码遗忘时找回

扫一扫,关注学会公众号

免费领取“最新的精品资料

专家注册(选项)
友情提示:
1.如果您对”专家注册”选项进行勾选,就代表您自愿以职业化的态度,成为学会的实名认证专家;
2.学会会将您的相关信息(包含姓名、地区、擅长领域、电子邮件地址),呈现于”找专家”频道,向潜在客户及同行推荐。
  • 行业
  • 专业
如果您认可学会价值,欢迎在朋友圈中发送推广
成为专家
友情提示:
1.如果您对”专家注册”选项进行勾选,就代表您自愿以职业化的态度,成为学会的实名认证专家;
2.学会会将您的相关信息(包含姓名、地区、擅长领域、电子邮件地址),呈现于”找专家”频道,向潜在客户及同行推荐。
  • 行业
  • 专业
义工报名
集结号已响,号召侠肝义胆,见义勇为之士,加入仁义之军,进化行业价值,提升行业地位。 学会是非盈利公益组织,日常的活动,需要义工协助,贡献时间的多少,由您决定,您如愿意加入,请填写确认下列资讯报名,之后客服会微信和您联系并赠送礼品一份,感谢您对公益事业的支持!
行业选择(可多选)
  • 建筑设计
  • 建筑工程
  • 室內设计
  • 装修工程
  • 机电设计
  • 机电工程
  • 专业工种
  • 材料机具设备
  • 其它
  • 取消
    确定
专业选择(可多选)
  • 设计
  • 项目管理
  • 工地管理
  • 工厂管理
  • 估价
  • 采购
  • 维修
  • 法务审计
  • 人事
  • 财务
  • IT
  • 市场
  • 其他
  • 取消
    确定
友情提示
温馨提示 请先登录/注册会员 以享有会员独享功能
确认